Cart 0
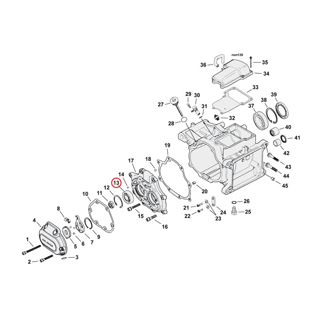
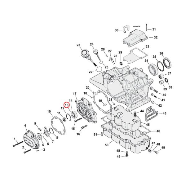
Description
Ball bearing, transmission bearing housing
OEM replacement reference 8970A
Fits: > Front (countershaft) & rear (mainshaft): 06-17 6-speed Twin Cam. Front (counter shaft): 18-24 Softail; 17-24 FLT/Touring. Front (counter shaft); 06-22 XL Sportster; 08-12 XR1200 (NU) .









